澳门线上博彩官网

DZ47LE-63漏电保护器 空气开关-空开 分励脱扣器-澳门线上博彩官网平台

澳门线上博彩官网

你所在的位置: 首页 >  产品总汇 >  空开 分励脱扣器 >  DZ47LE-63漏电保护器 空气开关

DZ47LE-63漏电保护器 空气开关

DZ47LE-63漏电保护器 空气开关

发表时间:2019-04-14 | 点击:11020次

品牌:智盛
型号:DZ47LE-63漏电保护器
在线订购

产品详情

一、适用范围

DZ47LE-63系列漏电断路器由DZ47高分断小型断路器和漏电脱扣器拼装而成。该产品适用于交流50Hz,额定工作电压230V~400V,额定电流至100A的线路中,主要由零序电流互感器、电子组件板、漏电断路器及带有过载短路保护功能、还可根据用户的需要增加过压,欠压保护功能用来对人进行间接接触保护,以及对建筑物及类似用途的线路进行过电流保护。也可对由于过电流保护装置不动作而持续存在的接地故障引起的火灾提供保护。带过电压保护的漏电断路器还能对由于电网故障引起的电压过高进行保护。
DZ47LE漏电断路器在低压配电系统中已经越来越多地被采用作为接地故障和直接接触、间接接触电击的后备保护。该产品主要用于建筑照明和配电系统的保护,符合GB16917.1和IEC61009-1标准的要求。我司已通过国家CCC、CE认证。 


二、型号及其规格



三、结构特征

DZ47LE-63漏电断路器是由漏电脱扣器附件和DZ47断路器拼装整合而成,因此保持了与DZ47相同的时间-电流动作特性,其机械装配,即可由企业在工厂完成,也可在现场进行。漏电脱扣特性参数由工厂整定,用户不可调整,也不能拆开漏电脱扣器,以免影响性能。漏电脱扣器有32A和50A两种壳架等级电流,分别可接10mm²和25mm²导线。
在漏电脱扣器上设有一个专门用来指示漏电动作的指示装置,只有在指示装置复位以后,漏电断路器才能闭合。并配有带自复式按钮的试验装置,按下时内部线路产生一模拟剩余电流,使断路器分断。试验装置应定期试验,每月一次。 


四、正常工作条件和安装条件

◆ 周围空气温度负五摄氏度至四十摄氏度,二十四小时内平均不超过三十五摄氏度。
◆ 海拔高度:安装地点的海拔不超过2000m。
◆ 大气条件:安装地点的空气相对湿度在最高温度四十摄氏度时不超过百分之五十,在较低温度下允许有较大的相对湿度;例如二十五摄氏度时达到百分之九十。
◆ 安装类别:II、III级。
◆ 污染等级:2级。
◆ 安装形式:采用TH35-7型钢安装轨安装。
◆ 安装条件:安装场所的外磁场任何方向均不应超过地磁场的5倍;剩余电流动作断路器一般应垂直安装,手柄向上为接通电源位置;安装处应无显著冲击和震动。
◆ 接线方法:用螺钉压紧接线。


五、主要参数及技术性能

◆ 主要规格:
◇ 额定电流(ln):
壳架等级电流32A为:6A、10A、16A、20A、25A、32A;
壳架等级电流50A为:6A、10A、16A、20A、25A、32A、40A、50A、63A
◇ 额定剩余动作电流l△n:0.03、0.05、0.1、0.3A
◇ 按极数和电流回路分为:
a.单极两线剩余电流动作断路器;
b.两极剩余电流动作断路器;
c.三极剩余电流动作断路器;
d.三极四线剩余电流动作断路器;
e.四极剩余电流动作断路器; 
◇ 按瞬时脱扣特性分:
C型(5~10)ln,D型(10~16)ln。
◆ 主要技术参数:
◇ 额定电压Un(V):单极两线、两极为230V;三极、三极四线、四极为400V;
◇ 额定短路能力lcn(A):
4000(C6~C40);
3000(C50、C63、D6~D63);
◇ 额定剩余接通和分断能力2000l△m(A);
◇ 额定剩余不动作电流l△no;0.5l△n;


额定电压Ue(V) 极数 壳架等级额定电流lnm(A) 额定电流(A) 额定漏电动作电流(mA) 额定漏电不动作电流(mA) 额定漏电分断时间(s) 过压保护整定值(V) 额定短路分断能力lcn(A)
230 1+N 32 6、10、16、20、25、32 30 ; 50 15 ; 25 ≤0.1 280±5% 6000
2
400 3
3+N
4
230 1+N 50 6、10、16、20、25、32、40、50、63 30 ; 50 15 ; 25 4500
2
400 3
3+N
4

试验电流 额定电压 规定时间 预期结果 起始状态 备注
1.13ln 所有值 t≥1h 不脱扣 冷态 电流在5s内稳定地上升至规定值
1.45ln 所有值 t<1h 脱扣 热态
2.55ln 所有值 1<t<60s 脱扣 冷态 闭合辅助开关接通电源
5ln 所有值 t≥0.1s 不脱扣 冷态 闭合辅助开关接通电源
10ln 所有值 t<0.1s 脱扣 冷态 闭合辅助开关接通电源

◇ 机械电气寿命:
电气寿命:6000次,COSφ=0.85~0.9;
机械寿命:2000次;ln≤25A 240次/h; ln>25A 120次/h;
◇ 绝缘耐冲击电压性能
各极连接在一起与中性极之间能承受峰值为6000V的冲击电压;
各极与中性极连接在一起和金属支架之间能承受峰值为8000V的冲击电压。
◇ 剩余电流动作断路器在峰值电流为200A冲击电流和峰值电压为2.5√¯2Un浪涌过电压作用下,具有承受能力。并不引起误动作。
◇ 接线螺钉扭矩不小于1.5N·m;
◆ 周围空气温度:周围空气温度最高温度四十摄氏度最低温度不低于负五摄氏度,二十四小时平均不超过正三十五摄氏度。
温度℃ -15 -5 0 10 20 30 40 55
额定电流修正系数 1.19 1.15 1.13 1.06 1.05 1 0.96 0.89

额定电流ln(A) 标称铜导线截面积(mm²)
10及以下 1.5
10~20 2.5
20~25 4
25~32 6
32~50 10
50~63 16


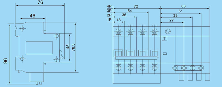
六、外形和安装尺寸


DZ47LE-63

 

DZ47LE-50大壳系列



x

在线订购

订购产品: DZ47LE-63漏电保护器 空气开关
数量:
联系人:
联系电话:
联系地址:
备注:
{*主站.标题#1001} {*主站.标题#1001} {*主站.标题#1001} {*主站.标题#1001} {*主站.标题#1001} YSB体育官官方 凤凰体育app网页版登录 赌足球软件哪个好移动官网 沙巴在线足球平台登录 澳博体育网页版 188体育app下载官网 沙巴体育手机平台 伟德体育app登录网址入口 365BET体育下载app >网站地图-sitemap